Жаңалықтар

Доп-клапандарды өніммен енгізу

Доп клапанХХІ ғасырдың 50-ші жылдарында, ғылым мен техниканың қарқынды дамуымен шықты, олар 40 жыл ішінде өндіріс технологиясы мен өнім құрылымын үнемі жетілдіру, үлкен клапанға тез дамыды. Батыстың индустриалды дамыған елдерінде шар клапандарын қолдану жылдан жылға артып келеді.


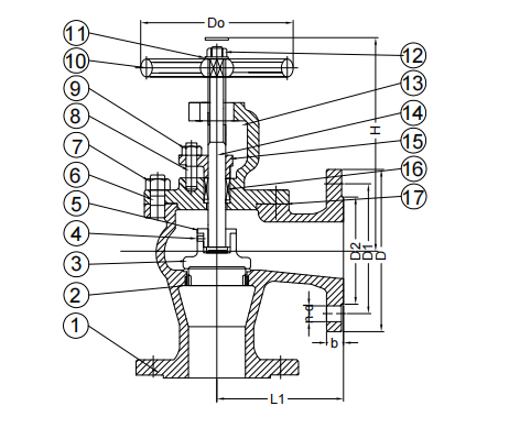
ball valve

Қытайда,шар клапандарыМұнай өңдеу, қалааралық құбырлар, химиялық заттар, фармацевтика, фармацевтика, су консерванттары, электр энергиясы, муниципалды, болат және басқа да салаларда кеңінен қолданылады және ұлттық экономикада шешуші позицияны алады. Ол 90 градус ротацияға ие, ал денесі сфера, оның осі немесе арналары бар сфера.



Доп клапаны негізінен құбыр желісінде, оны өшіру, тарату және ауыстыру бағытын өзгерту үшін қолданылады, оны мықтап жабу үшін тек 90 градусқа және кішкене моментке айналдыру керек. Доп-клапандар қосуға / өшіру клапандарына, V-Type шарлы клапандарына өте қолайлы. Құбырдың параметрлеріне қосымша, оны пайдаланудың экологиялық жағдайына ерекше назар аудару керек, өйткені электр клапанындағы электр құрылғысы электромеханикалық жабдық болып табылады және оны пайдалану ортасына оның ортасы қатты әсер етеді. Қалыпты жағдайда, келесі ортада электр шарларының клапандары мен көбелек клапандарын пайдалануға ерекше назар аудару қажет.


Кәсіби өндіруші және жеткізуші ретінде біз сапалы өнімдерді ұсынамыз. Егер сізді біздің өнімдеріміз қызықтырса немесе сұрақтарыңыз болса, өзіңізді еркін сезініңізбізбен хабарласыңы.





Қатысты жаңалықтар
Маған хабарлама қалдырыңыз
X
Біз cookie файлдарын сізге жақсырақ шолу тәжірибесін ұсыну, сайт трафигін талдау және мазмұнды жекелендіру үшін пайдаланамыз. Осы сайтты пайдалану арқылы сіз cookie файлдарын пайдалануымызға келісесіз. Құпиялылық саясаты
Қабылдамау Қабылдау